TESTSERVER
Artikelgruppe

5/2-Wege Zeitventile (Standard), TIMER

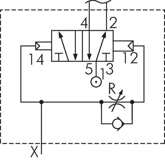
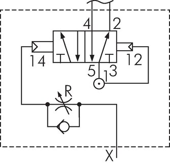
Exemplarische Darstellung: 5/2-Wege Zeitventil Schaltsymbol: 5/2-Wege Zeitventil (Reaktion verzögert) Schaltsymbol: 5/2-Wege Zeitventil (Rücksetzen verzögert)
Zahlungsmöglichkeiten:

Nachnahme

Rechnung