TESTSERVER
Artikelgruppe

Luft-Sparventile - Druckregler mit Rückschlagventil

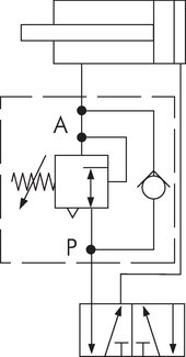
Anwendungsbeispiel: Luft-Sparventil Schaltsymbol: Einsatz Luft-Sparventil
Zahlungsmöglichkeiten:

Nachnahme

Rechnung